产品详情

高压伺服电机系列

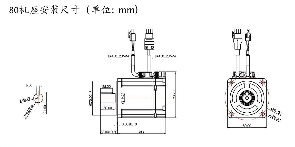
JASM 系列伺服电机是杰美康研制的高转速、高精度的伺服电机,以适应现代化自动控制的要求;本系 列的伺服电机可使控制速度,位置精度非常的准确,可以将电压信号转化为转矩和转速以驱动控制对象。本 系列的伺服电机转子转速受输入信号控制,并能快速反应,在自动控制系统中,用作执行元件,且具有电气 及机械时间常数小、线性度高、始动电压等特性,可把所收到的电信号转换成电动机轴上的角位移或角速度 输出,并且可以实时反馈信号到伺服驱动器进行调节,实现高精度控制。
产品详情

选型.jpg40.jpg100W.jpg60.jpg200W 400W.jpg80.jpg750W 1000W.jpg110.jpg1.2 1.5KW 110.jpg130.jpg2KW 3KW.jpg

产品中心
步进伺服电机
步进伺服驱动器
数字步进电机
数字步进驱动器

一体化步进伺服电机
一体化交流伺服电机
精密行星减速机
减速电机
数控机床
工业自动化
解决方案
贴标机器人
AGV行业
雕刻机、螺丝机行业
电子半导体行业

联系我们
咨询热线
+86-135-2869-1390
地址
东莞市凤岗镇龙平东路158号5楼501室
邮箱
jian.lin@hongcaijidian.com